Produkt został zapamiętanyDo przechowalni

Podnośniki stemplowe

Podnośnik 1-stemplowy NUSSBAUM Top Lift 1.35 TL-X (komplet) - ramiona

Indeks: NUSS-TL135TL-X
Producent: NUSSBAUM

Status: DOSTĘPNY NA ZAMÓWIENIE
Netto: 62 520,33 PLN Brutto: 76 900,00 PLN
Ilość

NUSSBAUM - podnośnik 1-stemplowy TOP LIFT 1.35 TL X (ramiona na 1 cylindrze)

Cechy:

  • Podnośnik stemplowy z jednym cylindrem i ramionami podnoszącymi.
  • Ramiona dwuteleskopowe
  • Obustronnie cynkowana kaseta montażowa (profile stalowe 3 mm, podstawa 8 mm).
  • Bardzo cichy agregat hydrauliczny z silnikiem zanurzonym w oleju, zintegrowany w kasecie montażowej.
  • Przykręcane, odporne na korozję przewody hydrauliczne łączące agregat z siłownikami (brak luźnych, elastycznych przewodów).
  • Łatwy demontaż pokrywy kasety. 
  • Siłowniki chronione wewnątrz utwardzanych, chromowanych rur prowadzących (o średnicy 123 mm).
  • Rury prowadzące przykręcone do cynkowanych trawersów zapewniają synchronizację ruchów podnośnika i zabezpieczają przed obracaniem się najazdów.

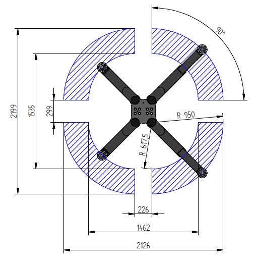
Ruch ramion:

Dane techniczne:

Parametr 1.35 TL X
Udźwig [kg] 3500
Wysokość podnoszenia [mm] 2067
Czas podnoszenia (przybliżony) [s] 35
Czas opuszczania (przybliżony) [s] 35
Najniższy punkt podparcia [mm] 90
Zasięg ramion [mm] 617 - 950
Średnica tłoka prowadzącego [mm] 123
Głębokość montażowa [mm] 2408
Silnik [kW] 3
Zasilanie [V / Hz]  380-415 V / 50 Hz, 3 ph

Akcesoria (opcjonalne do oddzielnego zamówienia):

Zakres dostawy:
  • Podnośnik z 2 siłownikami hydraulicznymi i belką poprzeczną, platformą podnoszącą wg zamówienia oraz kasetą montażową.
  • Wewnętrzny agregat hydrauliczny i zewnętrzny panel sterujący z przewodami elektrycznymi o długości 10 m.
  • System CE-Stop jako standardowe wyposażenie wszystkich odmian
  • 4 regulowane podpory teleskopowe

Do przygotowania przez Klienta:

  • Prace fundamentowe, w tym ustawienie i zabetonowanie kasety montażowej zgodnie z aktualnymi planami fundamentów i wytycznymi Producenta
  • Zasilanie 400V 50 Hz, przewód 5 x 2,5 mm2, zabezpieczenie 16A zwłoczne C.
  • Przyłącze sprężonego powietrza Ø 6 mm, 6 – 10 bar (dla wersji z zapadkami)
  • Wózek widłowy do rozładunku i na czas montażu podnośnika

Produkt można również zakupić na raty lub przez leasing. W tej sprawie proszę o bezpośredni kontakt z nami telefonicznie lub mailowo.
Podstawowe
Udźwig:3500 kg
Wysokość podnoszenia:2048 mm
Czas podnoszenia:35 s
Czas opuszczania:35 s
Wysokość podejmowania pojazdów:98 mm
Zasięg ramion:617 - 950 mm
Głębokość instalacji:2408 mm
Moc:3 kW
Zasilanie:380-415 V 3ph/50 Hz
Nazwa pliku Odnośnik Opis
Nussbaum_TopLift_135TLX_EN.pdf Pobierz plik