Podnośnik dwukolumnowy elektro-hydrauliczny Nussbaum Power Lift SLH 4600 Advanced UNI GH2
Przeznaczony do obsługi pojazdów osobowych i dostawczych o masie do 4600 kg.
NOWA GENERACJA INTELIGENTNYCH PODNOŚNIKÓW !
Podnośnik ma asymetryczną budowę, dzięki czemu ułatwiony jest dostęp do kabiny pojazdu. Wyposażony w podwójne ramiona o niskim punkcie podnoszenia.
Sterowanie podnośnikiem zintegrowane jest z kolumnami i jest wbudowane w kolumnę podnośnika. Synchronizacja mechaniczna za pomocą liny. Zapadki sterowane manualnie (synchroniczne).
Podnośnik ten jest w pełni hydrauliczny, bezobsługowy o szybkim podnoszeniu i opuszczaniu pojazdu. Bardzo łatwy i komfortowy w obsłudze. Podnoszenie i opuszczanie pojazdu odbywają się za pomocą ergonomicznej dźwigni.
Podnośnik ten posiada płynną regulacją opuszczania i podnoszenia oraz regulację prześwitu między ramieniem i pojazdem.
Cechy:
- Najlepsza na rynku powierzchnia podbieracza i zasięg ramienia dla pełnej elastyczności i kompatybilności z pojazdami elektrycznymi
- Oszczędzająca miejsce konstrukcja oparta na serii SMART LIFT. Do 10% więcej miejsca w porównaniu do innych producentów
- Do 50% krótszy czas instalacji dzięki wstępnemu montażowi i zgłoszonemu do opatentowania systemowi Quick-trawers
- Precyzyjnie regulowane pady podbieracza z dodatkową natychmiastową regulacją (zgłoszenie patentowe)
- CE-Stop preinstalowany we wszystkich wersjach, nie są potrzebne podwieszane ochraniacze stóp
- Brak ramy - wolny przejazd
- Asymetryczna budowa - dostęp do drzwi pojazdu z obu stron
- Automatyczna blokada ramion
- Synchronizacja ramion za pomocą stalowej liny
- Napęd elektro-hydrauliczny za pomocą silnika chłodzonego powietrzem
- System zapadek mechanicznych zwalnianych elektrycznie
- Cicha praca podnośnika
- Pozycja parkingowa zapewniająca wygodną pracę
- Szybkość podnoszenia (35 s) i opuszczania (28 s)
- Płynna regulacja podnoszenia i opuszczania pojazdu za pomocą dźwigni sterującej
- Bardzo niskie koszty utrzymania oraz praktycznie nie zużywający się układ hydrauliczny
- System samo-oczyszczający układ hydrauliczny
- Każda jednostka napędowa i każdy cylinder hydrauliczny są testowane przed wysyłką
- Opracowany i wyprodukowany w Niemczech
- Regulowana wysokość podejmowania pojazdu: 115 - 190 mm
- Zasięg ramion:
- ramiona długie: 930 - 1850mm
- ramiona krótkie: 590- 1160 mm
- Ciągnące cylindry hydrauliczne chronią obwód hydrauliczny nawet podczas intensywnego użytkowania i wymagają bardzo mało energii. Niski pobór mocy, konsekwentna automatyczna kompensacja obwodów hydraulicznych i niskie koszty konserwacji, również dzięki zmniejszonej liczbie ruchomych części, zmniejszają koszty eksploatacji.
- Ramiona i kolumny są spawane w najnowocześniejszych zakładach spawalniczych Nussbaum, śrutowane, a następnie lakierowane proszkowo.
- Opcjonalnie - dostępne podwyższenie kolumn do wysokości = 4950 mm
Podnośnik Nussbaum Power Lift SLH 2.46 UNI występuje w wersjach:
-
ADVANCED - Jednostka napędowa chłodzona powietrzem z elektrycznym sterowaniem zapadek
-
PREMIUM - pompa zanurzona w oleju dla precyzyjnego opuszczania, automatyczne zapadkami. Specjalnie zaprojektowany do pojazdów elektrycznych
-
Opcjonalnie może być wyposażony w Energy Set (gniazdo elektryczne 230V i przyłącze pneumatyczne zabudowane na jednej z kolumn podnośnika)
-
Power Lift SLH 2.46 UNI - wyposażony w podwójne ramiona teleskopowe do podnoszenia. Krótkie ramiona nośne wyposażone są również w podwójny mechanizm teleskopowy dla większego zakresu regulacji przy krótszych i dłuższych pojazdach.
-


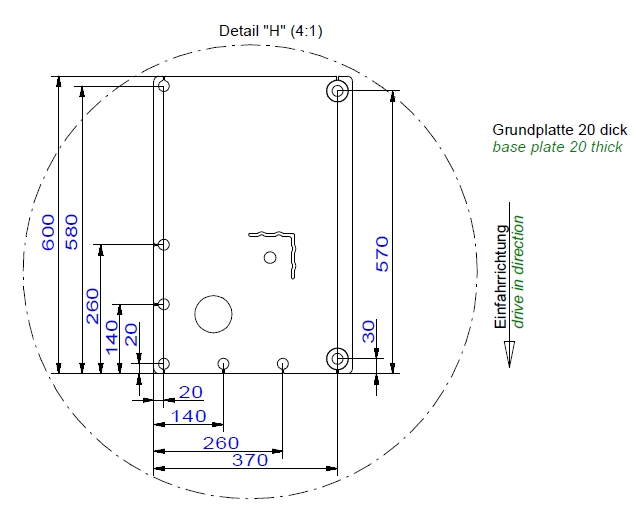
Fundament:
Pod podnośnik wymagany jest jednolity fundament o min. grubości 200 mm wykonany w klasie C20/25.
Grubość warstwy nawierzchniowej w przypadku posadzki wykonanej np. z jastrychu, płytek, powłoki z tworzywa sztucznego itp., nie powinna przekraczać 50 mm. Głębokość zagłębienia kotwy w warstwie betonowej fundamentu powinna wynosić min. 150mm.
Wymiary płyty fundamentowej: 3600 mm x 1600 mm.
Dane Techniczne:

| Udźwig: | 4600 kg |
| Wysokość podnoszenia: | 1990 mm |
| Wysokość całkowita: | 4760 mm |
| Szerokość całkowita: | 3370 mm |
| Szerokość między kolumnami: | 2776 mm |
| Szerokość przejazdowa: | 2534 mm |
| Minimalny prześwit pojazdu: | 117 - 192 mm |
| Zasięg ramion krótkich: | 577 - 1157 mm |
| Zasięg ramion długich: | 1156 - 1807 mm |
| Wysokość kolumn: | 4760 mm |
| Czas podnoszenia: | 35 s |
| Moc silnika: | 2,2 kW |
| Zasilanie: | 380-415 V 3ph 50 Hz |
| Masa własna: | 995 kg |
Wymiary:



.png)
Produkt można również zakupić na raty lub przez leasing. W tej sprawie proszę o bezpośredni kontakt z nami telefonicznie lub mailowo.
Na podstawie 0 opinii
ogólnie